产品分类导航
PRODUCTS

AC电源

DC电源插座

IEC 60320插座

船型开关 翘板开关 跷板开关

轻触开关

拨动开关

微动开关

拨码开关

当前位置:首页 | 产品中心 | 产品内容SS13F08

SS13F08

添加日期:2018/6/6 点击量:1688 次

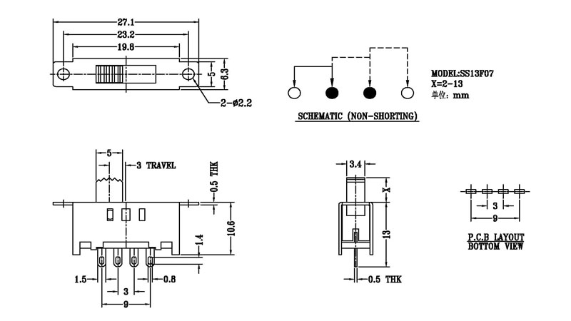
SS13F08
产品简介

正拨拨动开关主要技術參數 使用功率/額定值:DC 50V 0.3A~1A 觸點電阻:< 100 mΩ 絕緣電阻:≥ 100 MΩ 耐壓:500V AC for 1 minute 撥動力:180~500gf 使用壽命:10000次 操作溫度:-16℃to+60℃ 儲存溫度:-40℃to+85℃ 符合標準:RoHs&Reach

产品详细介绍:

相关产品:

SS14H03
SS14H03
SS16F01NAT
SS16F01NAT
SS16F03
SS16F03
SS16F04
SS16F04
展开