产品分类导航
PRODUCTS

AC电源

DC电源插座

IEC 60320插座

船型开关 翘板开关 跷板开关

轻触开关

拨动开关

微动开关

拨码开关

当前位置:首页 | 产品中心 | 产品内容ZX-R3014S

ZX-R3014S

添加日期:2018/5/21 点击量:3311 次

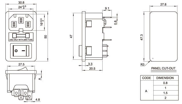
ZX-R3014S
产品简介

标准:IEC 60320 C14 额定功率:2.5A 250V AC 绝缘电阻:100MΩ 500V DC/1分钟 绝缘强度:2000V AC/1分钟 外壳材料:热塑性塑料 94V-2~V-0

产品详细介绍:

相关产品:

ZX-R3014G21 through R-3014G26
ZX-R3014G21 thr
ZX-R302G2 through R-302G7
ZX-R302G2 throu
ZX-R3013S
ZX-R3013S
ZX-R3016
ZX-R3016
展开