产品分类导航
PRODUCTS
		 
		AC Socket
- DB-6
- DB-14
- DB-8
- Pdu socket, pdu, pdu European socket, pdu German socket, pdu socket, pdu international socket.
DC Power Jack
IEC INLETIEC
- C6 INLET
- C8 INLET
- C13 OUTLET
- C14 INLET
- C19 OUTLET
- C20 INLET
- IEC C14+FUSE
- INTERNATIONAL AC RECEPTACLE
Serids Rocker Switch
Tact Switch
Toggle Switch
Micro switch
DIP开关
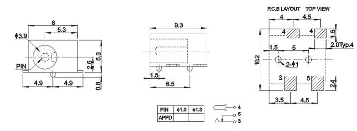
You are here:Home | Product | ContentDC00330
DC00330
Date:2012/10/12 Click:3341 次
 
                Introduction
Dc jack,dc pewer jack. 90 Degree 2.0 DC JACK, 4 Pin DC Jack For Computer, SMT DC POWER JACK, 1.3mm DC power jack for tablet, dc power jack asus, dc power jack connector asus, dc power jack socket,
Product details:
                                                                                  

Related content:

