产品分类导航
PRODUCTS
		 
		AC Socket
- DB-6
- DB-14
- DB-8
- Pdu socket, pdu, pdu European socket, pdu German socket, pdu socket, pdu international socket.
DC Power Jack
IEC INLETIEC
- C6 INLET
- C8 INLET
- C13 OUTLET
- C14 INLET
- C19 OUTLET
- C20 INLET
- IEC C14+FUSE
- INTERNATIONAL AC RECEPTACLE
Serids Rocker Switch
Tact Switch
Toggle Switch
Micro switch
DIP开关
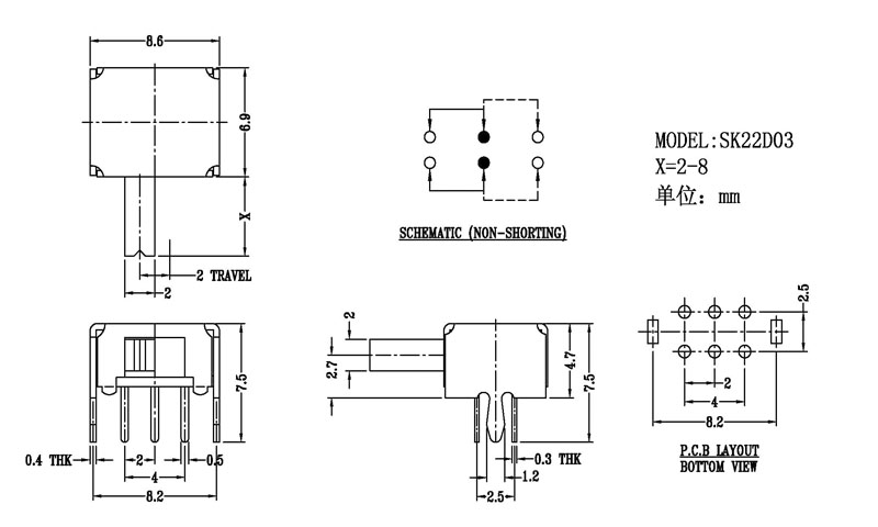
You are here:Home | Product | ContentSK22D03
SK22D03
Date:2018/5/30 Click:1833 次
 
                Introduction
Slide Switch Main data Rating:DC 50V 0.3A~1A ContactResistance:< 100 mΩ InsulationResistance:≥ 100 MΩ Withstand Voltage:500V AC for 1 minute Operating Force:180~500gf Life cycles:10000次 Operationg Temperature:-16℃to+60℃ Storage Temperature:-40℃to+85℃ Complies with:RoHs&Reach
Product details:


Related content:

