产品分类导航
PRODUCTS
AC Socket
- DB-6
- DB-14
- DB-8
- Pdu socket, pdu, pdu European socket, pdu German socket, pdu socket, pdu international socket.
DC Power Jack
IEC INLETIEC
- C6 INLET
- C8 INLET
- C13 OUTLET
- C14 INLET
- C19 OUTLET
- C20 INLET
- IEC C14+FUSE
- INTERNATIONAL AC RECEPTACLE
Serids Rocker Switch
Tact Switch
Toggle Switch
Micro switch
DIP开关
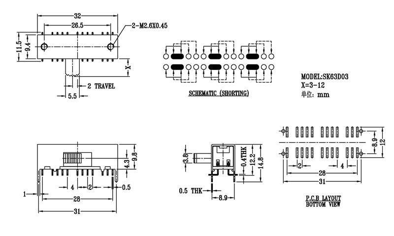
You are here:Home | Product | ContentSK63D03
SK63D03
Date:2018/5/28 Click:2530 次
Introduction
使用功率/額定值Rating:DC 50V 0.3A~1A 觸點電阻/Contact Resistance:< 100 mΩ 絕緣電阻/Insulation Resistance:≥ 100 MΩ 耐壓/Withstand Voltage:500V AC for 1 minute 使用壽命/Life cycles:10000次 操作溫度/Operationg Temperature:-16℃to+60℃ 儲存溫度/Storage Temperature:-40℃to+85℃ 符合標準/Complies with:RoHs&Reach
Product details:


Related content:
